在多光路耦合系统里,一块倾斜放置的平板玻璃往往身兼数职:既要让可见光反射成像,又要让红外光折转分束,甚至还得兼顾激光测距通道。因此,如何把一条复杂的多光路拆成可计算、可优化、可验证的若干“子任务”,就成了设计者必须首先回答的问题。本文将以最简单的一分二光路为例,示范两种模块化思路:先独立后拼接的“搭积木”法,以及借助多重组态的“同台共演”法,并给出可复现的仿真流程,供读者按需取用。下面开始正文~~
一、问题的提出
在之前的文章中我们分析过很多次倾斜放置平板玻璃的像差特性,一般这种分光元件常用于多光路耦合。例如我们想要设计如下图所示的光路,应该如何操作呢?
【成像光学基础】平板玻璃会引入像差吗
【光学知识】如何从像差的角度解释水中物体的两个像||之晓光学

二、分析方法
在进行这种双路及多路光学系统设计时,由于一般光学设计软件在成像优化时需要采用序列模式,即光线必须严格由前一面传播到后一面,所以我们不能同时设置两个光源,也不能让一个光源发出的光线在某个器件展现出不同的行为。那我们可以采用模块化的设计方法,把两路光束作为两个独立的模块进行设计。
这里有两种常见情况,对应两种常用方法。一是多光路系统中公用的部分是可以单独评价的。例如平行光管,目标模拟器,红外双色系统等。这类系统设计时我们可以优先单独设计共用部分,定好光阑和视场衔接。之后把每一路的独立部分作为一个附加模块和共用部分一起优化,优化过程中只改变独立模块的参数。
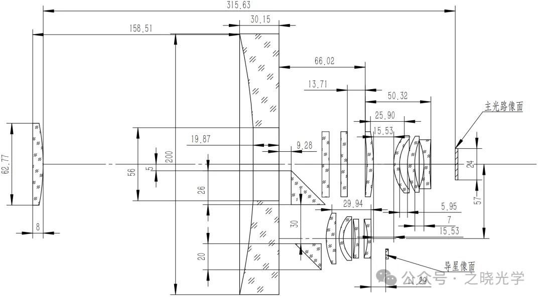
例如下面这个案例,我们可以先定好主反射镜和次反射镜的参数,两组透镜组独立优化。这样做的好处是每个光路都比较清晰,便于软件设置优化,也便于评价。但需要注意的是两个光路之间对应的元件位置不够直观,需要仔细核验。



另一种常见做法是利用多种组态或者变焦功能,在两个组态中独立编辑光学系统,一起优化。这样做的好处是共用部分可以随着两路光进行变化,有利于像差补偿,同时我们可能直观的看到两路光耦合的情况。缺点是对于软件来说结构参数比较复杂,设置参数优化系统都要花费更多时间。
我们这里举一个最简单的例子,针对本文开头的光路图,我们可以用近轴透镜进行仿真。如下图所示,我们似乎在序列模式中做出了两个光源的效果。


这种利用多重组态的方法其实就是编辑了两个光路,和单独开两个文件没有本质区别,我们可以根据具体情况灵活使用。
最后总结一下,多光路耦合并非简单的“把几条光轴放在一起”,而是一场关于光阑衔接、像差分配与公差叠加的系统工程。本文讨论的两种模块化策略——“先共用后独立”与“多重组态同步优化”——本质上都是在序列模式的限制下,为每一条光线找到最合理的计算路径:前者逻辑清晰、便于分工,后者耦合直观、便于像差平衡。实际项目中,往往先用第一种方法快速锁定共用部分的基准参数,再切换到第二种方法微调两路光的一致性与装配公差。只要抓住“模块接口”与“光瞳匹配”这两个关键点,就能把原本相互掣肘的多光路系统,转化为彼此增益的协同设计。